{@ member.last_name @} {@ member.first_name @} 様こんにちは
{@ member.stage_name @}会員 {@ member.active_points @}ポイント
電話注文 0120-94急用-7330悩み去れ (平日 9:00~17:00)
電話注文 0120-94急用-7330悩み去れ (平日 9:00~17:00)
今月はずっとほぼ全商品ポイント5倍
今月はずっとほぼ全商品ポイント5倍
  1. HOME
  2. 産業機械・DIY
  3. KTC工具
  4. 9.5sq.ソケット
  5. 9.5sq.ソケット
  6. 9.5sq.ソケット
  7. [KTC工具] 9.5sq.ソケット(六角)B3-19、19W
  1. HOME
  2. 車・バイク用品
  3. KTC工具
  4. 9.5sq.ソケット
  5. 9.5sq. ソケット
  6. 9.5sq. ソケット
  7. [KTC工具] 9.5sq.ソケット(六角)B3-19、19W

ソケットレンチ用
[KTC工具] 9.5sq.ソケット(六角)B3-19、19W

商品番号 B3-19
買援隊 特別価格 ¥ 780 税込
[買援隊会員なら さらに 35 円相当のポイント進呈]
品番
  • B3-19(六角)
  • B3-19W(十二角)
※こちらの商品は2タイプあります。 お間違えが
無いように品番を選択してください。


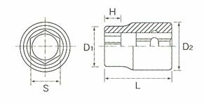
【寸法 mm】
六角 十二角 S D1 D2 H L 重量g
B3-19 B3-19W 19 26 24 10.5 27 61

取り扱いブランド


アルミス(ALUMIS) ATLAS(アトラス) DAIM(第一ビニール) DOD ヒラキ(平城商事) HONDA(ホンダ・本田技研工業) Husqvarna(ハスクバーナ) IDECH(アイデック) igloo(イグルー) 岩崎製作所(IWA) KAAZ(カーツ) 國光社(国光社・KOKKO) Karcher(ケルヒャー) KBL(ケービーエル) KIORITZ(共立) 日本ニーダー 工進 京セラ(KYOCERA)旧リョービ(RYOBI) makita(マキタ) Makku(マック) みのる産業(MINORU) エムケー精工 向井工業 NAKATOMI(ナカトミ) 日本ノーデン ogawa(キャンパルジャパン) 岡恒(okatsune) オレゴン(OREGON) shindaiwa(新ダイワ) 新富士バーナー(Shinfuji Burner) 新宮商行(SHINGU SHOKO) 昭和ブリッジ(SHOWA) SOTO スイデン(Suiden) サンエー(SUN-A) SUZUKID(スズキッド・スター電器) 鯛勝(タイカツ) 田中産業 TENT FACTORY(テントファクトリー) THREEUP(スリーアップ) トヨトミ(TOYOTOMI) TrueTools(トゥルーツールズ) VERSOS(ベルソス) ワキタ ウッドプラスチック(WPT) Zenoah(ゼノア)